|
Group 3+2 (32..50+4..20 см3)
НШ32A+10Г-3
НШ50A+10Г-3
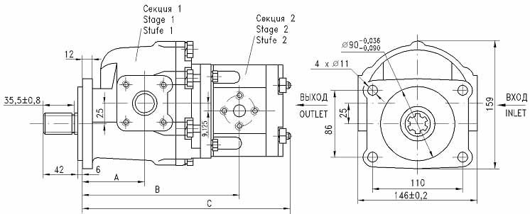
Specifications, shaft and flange options for single and multiple pumps are identical.
Pump speed is determined by the stage with the minimum shaft speed. |
Dimension и connection sizes

Displacement Code |
Stage
|
32 |
50 |
A |
B |
C |
C |
A |
B |
C |
Stage |
|
|
|
|
|
|
|
10 |
76 |
201 |
270 |
260.5 |
72.5 |
208 |
274 |
Terms of manufacture |
M |
™ |
|
|